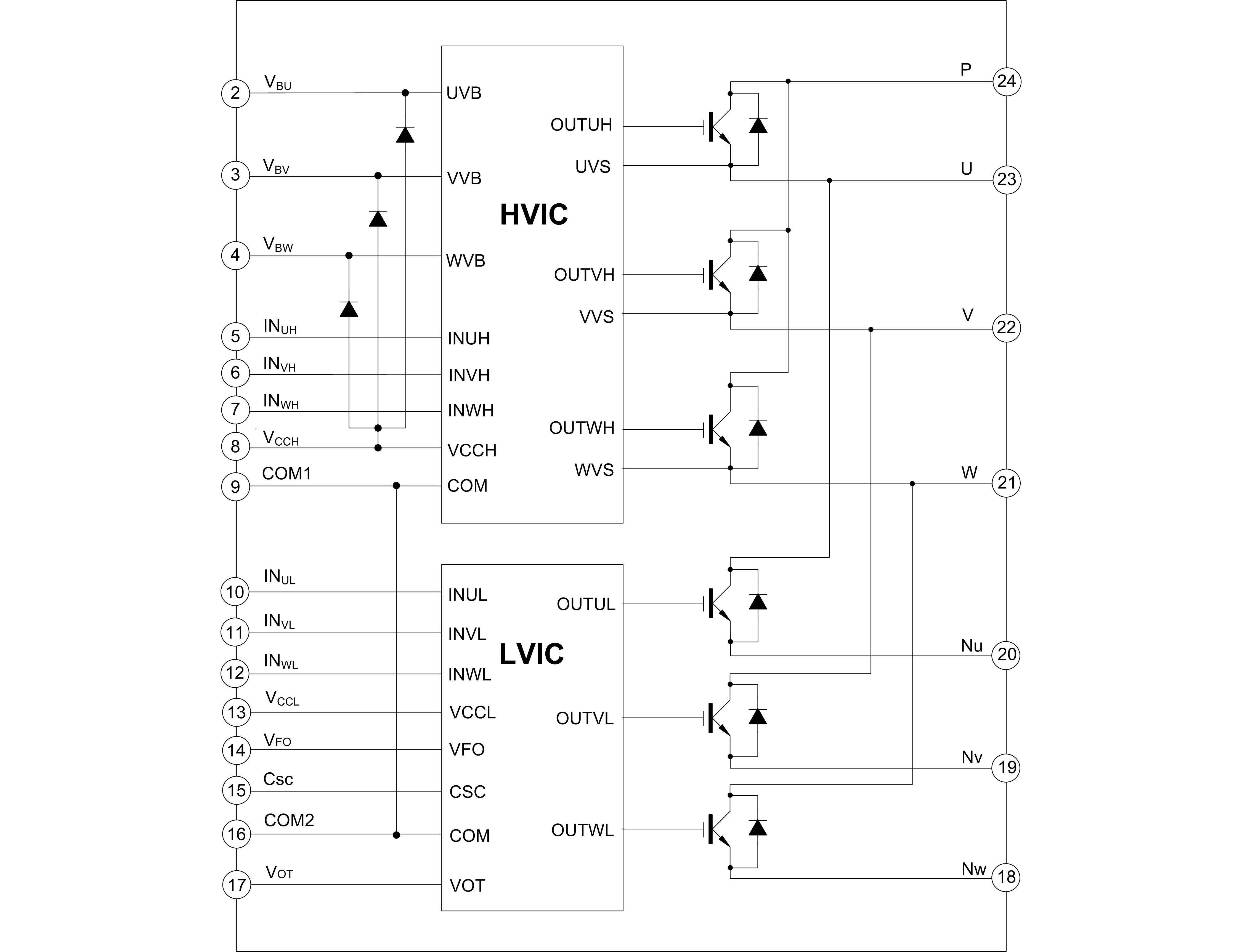
SDM20G60FC8是高度集成、高可靠性的三相無刷直流電機驅動電路,主要應用于較低功率的變頻驅動,如空調壓縮機、工業(yè)伺服器、低功率變頻器等。其內置了3相全橋高壓柵極驅動電路和6個低損耗IGBT管。
SDM20G60FC8內部集成了欠壓、短路等各種保護功能,提供了優(yōu)異的保護和寬泛的安全工作范圍。由于每一相都有一個獨立的負直流端,其電流可以分別單獨檢測。
SDM20G60FC8采用了高絕緣和易導熱設計,提供了非常緊湊的封裝體,使用非常方便,尤其適合要求緊湊安裝的場合。
內置6個低損耗600V/20A IGBT
內置高壓柵極驅動電路(HVIC)
內置欠壓保護、過流保護和溫度輸出
內置帶限流電阻的自舉二極管
完全兼容3.3V和5V的MCU的接口,高電平有效
3個獨立的負直流端用于變頻器電流檢測的應用
報警信號:對應于低側欠壓保護和短路保護
封裝體采用Al2O3 DBC設計,熱阻極低
絕緣級別:1500Vrms/min
| 產品名稱 | 封裝形式 | 打印名稱 | 環(huán)保等級 | 包裝 | 備注 |
|---|---|---|---|---|---|
| SDM20G60FC8 | DIP-24HL | SDM20G60FC8 | 無鹵 | 料管 |

| 標題 | 類型 | 大小 (KB) | 日期 | 下載最新中文版本 |
|---|---|---|---|---|
| SDM20G60FC8 | 374 | 2023-02-24 | SDM20G60FC8 簡要版說明書 |